
²úÆ·Ãû³Æ£ºZCZPͨÓõç´Å·§
²úÆ·±êÇ©£ºµç´Å·§,ͨÓõç´Å·§
¸üÐÂʱ¼ä£º2019/5/10 16:16:35
ÉÏÒ»¸ö²úÆ·£º ZCSË®Óõç´Å·§
ÏÂÒ»¸ö²úÆ·£ºDDC-JQµç´ÅÕæ¿Õ´ø³äÆø·§
ÔÚÏ߿ͷþ£º
ÔÚÏß¶©¹º£ºÔÚÏß¶©¹º
²úÆ·ÏêÇé
ZCZPͨÓõç´Å·§²úÆ·¸ÅÊö£º
ZCZPͨÓõç´Å·§ÊÊÓÃÓÚÒÔÕôÆûΪ¼ÓÈȽéÖÊ£¬¾ÙÐÐζÈ×Ô¶¯¿ØÖƵÄÖ´Ðлú¹¹¡£¿É¶ÔÕôÆû¼ÓÈÈÆ÷¡¢É¢ÈÈÆ÷¡¢¸ÉÔïÆ÷µÈÕôÆû×°±¸¼°ÖÖÖÖζÈ×Ô¿ØÒÇ¡¢ÕôÆû¶¨ÐÍ»ú¡¢ÕôÆû»ú¡¢ÕôÆû»Ø³±»úµÈ³ÉÌ××°±¸µÄ¹øÂ¯ÕôÆû¹ÜµÀ¾ÙÐжþλʽ×Ô¶¯¿ØÖƺÍÔ¶³Ì¿ØÖÆ¡£ÆÕ±éÓ¦ÓÃÓÚȾ»¯¡¢·ÄÖ¯¡¢Ó¡È¾¡¢Ê³Îï¡¢Ò½Ò©¡¢¾íÑÌ¡¢Ë®ÄàÖÆÆ·¡¢Ê¯ÓÍ»¯¹¤¡¢Ò±½ðµÈ²¿·ÖµÄ×Ô¿ØÏµÍ³
½á¹¹Ìصã
1.ÄÍÈÈ£ºµç´Å²¿·Ö¡¢ÃÜ·â¼þ²¿·ÖÓÃÌØÖÖÄ͸ßε繤ÖÊÁϺÍÃÜ·âÖÊÁÏ£¬²¢Ó¦ÓÃÁËÖÖÖÖ¸ôÈȲ½·¥¡£
2.ÄÍÄ¥£ºÑ¡²ÄºÏÀí£¬·§±ºÍµ¼ÏòÌ×¼äÇÉÃîµØÊ¹ÓÃÁ÷ÌåµÄ»¬Èó×÷Óã¬ïÔÌÄ¥Ëð¡£
3.ÄÍÀäÄý£ºÕôÆû¹ÜµÀµÄÀäÄýË®ÊÇÓ°ÏìÕôÆûµç´Å·§Ðж¯µÄÖ÷ÒªÒòËØ£¬±¾·§Ôò²»ÊÜÀäÄýˮӰÏì¡£
1.ÄÍÈÈ£ºµç´Å²¿·Ö¡¢ÃÜ·â¼þ²¿·ÖÓÃÌØÖÖÄ͸ßε繤ÖÊÁϺÍÃÜ·âÖÊÁÏ£¬²¢Ó¦ÓÃÁËÖÖÖÖ¸ôÈȲ½·¥¡£
2.ÄÍÄ¥£ºÑ¡²ÄºÏÀí£¬·§±ºÍµ¼ÏòÌ×¼äÇÉÃîµØÊ¹ÓÃÁ÷ÌåµÄ»¬Èó×÷Óã¬ïÔÌÄ¥Ëð¡£
3.ÄÍÀäÄý£ºÕôÆû¹ÜµÀµÄÀäÄýË®ÊÇÓ°ÏìÕôÆûµç´Å·§Ðж¯µÄÖ÷ÒªÒòËØ£¬±¾·§Ôò²»ÊÜÀäÄýˮӰÏì¡£
½á¹¹ÔÀí
±¾·§ÊÇÓи±·§ºÍÖ÷·§Á½´ó²¿¼þ×é³ÉµÄÏȵ¼Ê½¶þ´Î̹µ´µÄµç´Å·§¡£ÊÇ¿¿¸±·§µÄÆô±ÕÀ´¿ØÖÆÖ÷·§µÄͨ¶Ï¡£Æ¾Ö¤¶ÏµçʱËù´¦¿ª¹Ø×´Ì¬µÄ²î±ð£¬¿É·ÖΪ³£±Õµç´Å·§ºÍ³£¿ªµç´Å·§¡£³£±Õµç´Å·§£¬Ôڶε㳣λʱ£¬¸±·§¿Ú¹Ø±Õ£¬Ö÷·§³Ê¶Ï·£¬µ±µçѶºÅ½øÈëµ¼·§ÏßȦʱ£¬»î¶¯ÌúоÊܵç´ÅÁ¦×÷ÓÃÎüÉÏ·¿ª¸±·§¿Ú£¬Ö÷·§·§±ÄÚѹÁ¦µ¼ËÙÏûÊÅ£¬½éÖÊѹÁ¦½«Ö÷·§·§±ÍÐÉÏ£¬¿ªÆôÖ÷·§£¬ÊÂÇé½éÖʱã¿ÉÁ÷ͨ¡£µ«µ±µçѶºÅÏûÊÅʱ£¬»î¶¯Ìúо¸´Î»£¬¹Ø±Õס¸±·§¿Ú£¬ÊÂÇé½éÖÊ×ÔÆ½ºâ¿×½øÈë·§ÄÚ£¬µ±Ñ¹Á¦Ç÷ÓÚÆ½ºâʱ£¬¿¿Ö÷·§µ¯»É£¬·§±×ÔÖØ¼°½éÖÊѹÁ¦Ê¹·§±ÏÂÒÆ£¬ÑÏÃÜ·âסÖ÷·§¿Ú£¬·§ÓгʹرÕ״̬¡£³£¿ªµç´Å·§£¬Ôڶϵ糣λʱ£¬Óе¯»É×÷Ó㬸±·§¿Ú·¿ª£¬Ö÷·§Á÷ͨ¡£µ±µçѶºÅ½øÈ븱·§ÏßȦʱ£¬»î¶¯ÌúоÊܵç´Å×÷Ó¦ÎüÏ£¬µ±Ñ¹Á¦Ç÷ÓÚÆ½ºâʱ£¬¿¿Ö÷·§µ¯»É¡¢·§±×ÔÖØ¼°½éÖÊѹÁ¦Ê¹·§±ÏÂÒÆ£¬ÑÏÃÜ·âס·§¿Ú£¬·§ÃųʹرÕ״̬¡£µ±Ö÷·§¶Ïµçʱ£¬µç´ÅÁ¦ÏûÊÅ£¬¸±·§ÕÒ¿ª£¬Ö÷·§±ÄÚѹÁ¦Ñ¸ËÙÏûÊÅ£¬½éÖÊѹÁ¦½«Ö÷·§·§±ÍÐÉÏ£¬¿ªÆôÖ÷·§¿Ú£¬½éÖÊÁ÷ͨ£¬·§³Ê¿ªÆô״̬¡£
±¾·§ÊÇÓи±·§ºÍÖ÷·§Á½´ó²¿¼þ×é³ÉµÄÏȵ¼Ê½¶þ´Î̹µ´µÄµç´Å·§¡£ÊÇ¿¿¸±·§µÄÆô±ÕÀ´¿ØÖÆÖ÷·§µÄͨ¶Ï¡£Æ¾Ö¤¶ÏµçʱËù´¦¿ª¹Ø×´Ì¬µÄ²î±ð£¬¿É·ÖΪ³£±Õµç´Å·§ºÍ³£¿ªµç´Å·§¡£³£±Õµç´Å·§£¬Ôڶε㳣λʱ£¬¸±·§¿Ú¹Ø±Õ£¬Ö÷·§³Ê¶Ï·£¬µ±µçѶºÅ½øÈëµ¼·§ÏßȦʱ£¬»î¶¯ÌúоÊܵç´ÅÁ¦×÷ÓÃÎüÉÏ·¿ª¸±·§¿Ú£¬Ö÷·§·§±ÄÚѹÁ¦µ¼ËÙÏûÊÅ£¬½éÖÊѹÁ¦½«Ö÷·§·§±ÍÐÉÏ£¬¿ªÆôÖ÷·§£¬ÊÂÇé½éÖʱã¿ÉÁ÷ͨ¡£µ«µ±µçѶºÅÏûÊÅʱ£¬»î¶¯Ìúо¸´Î»£¬¹Ø±Õס¸±·§¿Ú£¬ÊÂÇé½éÖÊ×ÔÆ½ºâ¿×½øÈë·§ÄÚ£¬µ±Ñ¹Á¦Ç÷ÓÚÆ½ºâʱ£¬¿¿Ö÷·§µ¯»É£¬·§±×ÔÖØ¼°½éÖÊѹÁ¦Ê¹·§±ÏÂÒÆ£¬ÑÏÃÜ·âסÖ÷·§¿Ú£¬·§ÓгʹرÕ״̬¡£³£¿ªµç´Å·§£¬Ôڶϵ糣λʱ£¬Óе¯»É×÷Ó㬸±·§¿Ú·¿ª£¬Ö÷·§Á÷ͨ¡£µ±µçѶºÅ½øÈ븱·§ÏßȦʱ£¬»î¶¯ÌúоÊܵç´Å×÷Ó¦ÎüÏ£¬µ±Ñ¹Á¦Ç÷ÓÚÆ½ºâʱ£¬¿¿Ö÷·§µ¯»É¡¢·§±×ÔÖØ¼°½éÖÊѹÁ¦Ê¹·§±ÏÂÒÆ£¬ÑÏÃÜ·âס·§¿Ú£¬·§ÃųʹرÕ״̬¡£µ±Ö÷·§¶Ïµçʱ£¬µç´ÅÁ¦ÏûÊÅ£¬¸±·§ÕÒ¿ª£¬Ö÷·§±ÄÚѹÁ¦Ñ¸ËÙÏûÊÅ£¬½éÖÊѹÁ¦½«Ö÷·§·§±ÍÐÉÏ£¬¿ªÆôÖ÷·§¿Ú£¬½éÖÊÁ÷ͨ£¬·§³Ê¿ªÆô״̬¡£
ÐͺÅ˵Ã÷

Ö÷ÒªÊÖÒÕ²ÎÊý
½éÖÊÖÖÀà
|
ÕôÆû¡¢³£ÎÂÒºÌå¡¢ÆøÌåµÈ¡¢¸ßÎÂÒºÌå¡¢ÆøÌå
|
||||||||||||||
½éÖÊζÈ(¡æ)
|
¡Ü200
|
||||||||||||||
¹¤³ÆÑ¹Á¦(Mpa)
|
1.6
|
||||||||||||||
µçÔ´µçѹ
|
AC220V¡¤DC24VÆäÓà¹æ¸ñ¿É×÷ÌØÊâ¶©»õ
|
||||||||||||||
¹«³ÆÍ¨¾¶£¨mm£©
|
15
|
20
|
25
|
32
|
40
|
50
|
65
|
80
|
100
|
125
|
150
|
200
|
250
|
300
|
350
|
Á÷Á¿ÏµÊý KvÖµ
|
2.8
|
5
|
8.5
|
12
|
18
|
28
|
45
|
70
|
110
|
180
|
250
|
600
|
870
|
1000
|
1320
|
ÊÂÇéѹÁ¦(Mpa)
|
0.04¡«1.6
|
0.1¡«1.6
|
|||||||||||||
¹¦ÂÊ VA
|
40 30
|
50
|
|||||||||||||
·§Ìå²ÄÖÊ
|
Öý¸ÖºÍ²»Ðâ¸Ö
|
||||||||||||||
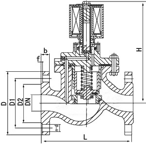
![]() |
Ö÷ÒªÐÎ×´³ß´ç
¹«³ÆÍ¨¾¶
DN |
ÄÚÂÝÎÆÅþÁ¬
|
·¨À¼ÅþÁ¬
|
|||||||||
ÄÚÂÝÎÆ
|
ÐÎ×´³ß´ç
|
ÐÎ×´³ß´ç
|
·¨À¼³ß´ç
|
||||||||
G
|
H
|
L
|
H
|
L
|
D
|
D1
|
D2
|
n-d
|
b
|
f
|
|
15
|
1/2
|
148
|
92
|
176
|
130
|
95
|
65
|
46
|
4-Ø14
|
14
|
2
|
20
|
3/4
|
148
|
92
|
181
|
150
|
105
|
75
|
56
|
4-Ø14
|
16
|
2
|
25
|
1
|
148
|
110
|
210
|
160
|
115
|
85
|
65
|
4-Ø14
|
16
|
3
|
32
|
1 1/4
|
182
|
120
|
221
|
180
|
140
|
100
|
76
|
4-Ø18
|
18
|
3
|
40
|
1 1/2
|
182
|
140
|
230
|
200
|
150
|
110
|
84
|
4-Ø18
|
18
|
3
|
50
|
2¡å
|
192
|
162
|
252
|
230
|
165
|
125
|
99
|
4-Ø18
|
20
|
3
|
65
|
260
|
290
|
185
|
145
|
118
|
4-¦Õ18
|
20
|
3
|
|||
80
|
260
|
310
|
200
|
160
|
132
|
4-¦Õ18
|
20
|
3
|
|||
100
|
290
|
350
|
220
|
180
|
156
|
4-¦Õ18
|
22
|
3
|
|||
125
|
365
|
400
|
250
|
210
|
184
|
4-¦Õ18
|
22
|
3
|
|||
150
|
400
|
480
|
285
|
240
|
211
|
4-¦Õ22
|
24
|
3
|
|||
200
|
443
|
600
|
340
|
295
|
266
|
4-¦Õ26
|
24
|
3
|
|||
250
|
493
|
750
|
395
|
350
|
319
|
4-¦Õ26
|
26
|
4
|
|||
300
|
549
|
850
|
445
|
400
|
370
|
4-¦Õ26
|
28
|
4
|
|||
350
|
600
|
980
|
520
|
470
|
429
|
4-¦Õ26
|
30
|
4
|
|||





