多彩同盟

  电话:+86 021-69783299    传真:+86 021-33275139    邮箱:ludahua27@163.com

目今的位置:阀门 > 产品中心 > 蝶阀

D371X蜗轮对夹式蝶阀

产品名称:D371X蜗轮对夹式蝶阀

产品标签:蝶阀,蜗轮对夹式蝶阀

更新时间:2019/5/27 10:37:57

上一个产品: D71X/F软密封对夹式蝶阀

下一个产品:D71J/D371J衬胶蝶阀

在线客服:点击这里给我发新闻 点击这里给我发新闻

在线订购:在线订购



产品详情

D371X蜗轮对夹式蝶阀产品概述:
    D371X蜗轮对夹式蝶阀接纳双偏心结构,具有越关越紧的密封功效,密封性能可靠。密封副质料选用不锈钢和丁腈耐油橡胶配对,使用寿命长。橡胶密封圈即可位于阀体上,也可以位于蝶板上,可适用差别特点的介质,供用户选择。蝶板接纳框架结构,强度高,过流面积大,流阻小。整体烤漆、能有用地避免锈蚀且只要替换密封阀座密封质料,就可使用于差别介质。本阀具有双向密封功效,装置时不受介质流向的控制,也不受空间位置的影响,可在任何偏向装置。本阀结构奇异,操作无邪,省力,利便。

D371X蜗轮对夹式蝶阀结构特点
    D371X蜗轮对夹式蝶阀接纳对夹中心板式结构,主要由阀体,阀板,阀轴,阀座及传动装置组成,结构简朴紧凑,小巧轻盈,运输,装置,拆卸利便;90°的启闭,开关迅速,操作扭矩小,省力轻盈;密封性能好,使用寿命长,可抵达零泄露;其流量特征近似于直线,调理性能好。阀门为橡胶密封,关闭时蝶板和阀座密封性能优异,双向密封性能优良,扭矩值小,阀门在事情压力下坚持100%零走漏,且蝶板与阀座密封之间的磨擦小。阀门由阀轴驱动阀板,阀板做90°转动。蝶板启闭无邪,无卡涩、跳动征象,扭矩小。

D371X蜗轮对夹式蝶阀产品用途
    软密封中线对夹式蝶阀,双偏心法兰式蝶阀结构紧凑,90°回转开关轻松,密封可靠,使用寿命长,被普遍用于水厂、电厂、钢厂、造纸、化工、轻纺、食物等给排水、气体管道上作调理流量和截流介质的作用。

D371X蜗轮对夹式蝶阀主要手艺参数

公称通经DN(mm)

50~2000

50~2000

公称药理PN(MPa)

0.6

1.0

1.6

密封试验(MPa)

0.66

1.1

1.76

强度试验(MPa)

0.9

1.5

2.4

适用温度

丁腈橡胶:-40℃~90℃氟橡胶:-20℃~200℃

适用介质

水、空气、自然气、油品及弱侵蚀性流体

走漏率

切合GB/T13927-92标准

驱动方法

蜗轮传动、电动、气动、液动

D371X蜗轮对夹式蝶阀主要零件质料

零件名称

质料

阀体

灰铸铁、球墨铸铁、铸钢、不锈钢及特殊质料

蝶板

球墨铸铁、铸钢、不锈钢及合金钢

阀轴

2Cr13、不锈钢

密封圈

丁腈耐油橡胶、聚四氟乙烯

填料

O型圈、柔性石墨

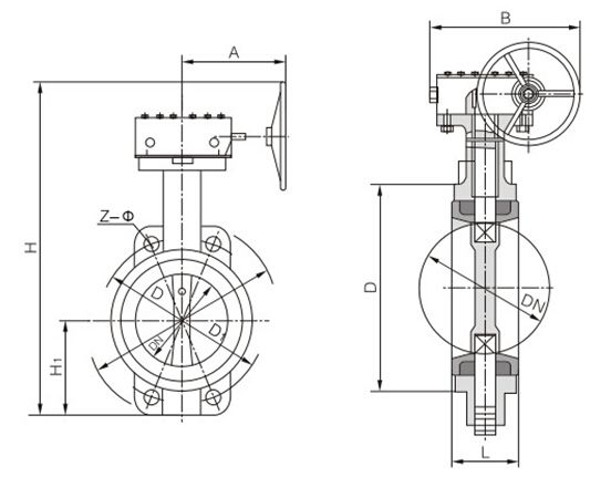
D371X蜗轮对夹式蝶阀主要形状尺寸

DN

L

H1

H

A

B

0.6MPa

1.0MPa

1.6MPa

DO

n-d

DO

n-d

DO

n-d

50

43

63

306

180

200

110

4-14

125

4-18

125

4-18

65

46

70

321

180

200

130

4-14

145

4-18

145

4-18

80

46

83

346

180

200

150

4-18

160

8-18

160

8-18

100

52

105

387

180

200

170

4-18

180

8-18

180

8-18

125

56

115

411

180

200

200

8-18

210

8-18

210

8-18

150

56

137

447

270

280

225

8-18

240

8-22

240

8-22

200

60

164

572

270

280

280

8-18

295

8-22

295

8-22

250

68

206

646

270

280

335

12-18

350

12-22

355

12-26

300

78

230

738

380

420

395

12-22

400

12-22

410

12-26

350

78

248

761

380

420

445

12-22

460

16-22

470

16-26

400

102

289

877

450

470

495

16-22

515

16-26

525

16-30

450

114

320

938

480

490

550

16-22

565

20-26

585

20-30

500

127

343

993

480

490

600

20-22

620

20-26

650

20-33

600

154

413

1131

480

490

705

20-26

725

20-30

770

20-36

700

165

478

1476

640

660

810

24-26

840

24-30

840

24-36

800

190

525

1533

640

660

920

24-30

950

24-33

950

24-39

900

203

585

1655

750

860

1020

24-30

1050

28-33

1050

38-39

1000

216

640

1765

850

900

1120

28-30

1160

28-36

1170

28-42

1200

254

755

1995

850

900

1340

32-33

1380

32-39

1390

32-48

 多彩同盟(中国游)官方网站

注:以上的产品先容,参数,图片,数据仅用于参考,若是需更准确的资料请咨询公司手艺效劳热线:18117208829

 

All Rights Reserved 版权所有 多彩联盟 ©2010-2019 ZHIFA VALVE CO.,LTD. 沪ICP备16034977号-1 沪公网安备31011802001264号 XMLsiteMap HTMLsiteMap

网站地图