
²úÆ·Ãû³Æ£ºD371XÎÏÂÖ·úÏ𽺵û·§
²úÆ·±êÇ©£ºµû·§,ÎÏÂÖ·úÏ𽺵û·§
¸üÐÂʱ¼ä£º2019/5/28 15:17:16
ÉÏÒ»¸ö²úÆ·£º D372XÎÏÂÖ¶Ô¼ÐʽÈíÃÜ·âµû·§
ÏÂÒ»¸ö²úÆ·£ºD71X/D371X¶Ô¼ÐʽÈíÃÜ·âµû·§
ÔÚÏ߿ͷþ£º
ÔÚÏß¶©¹º£ºÔÚÏß¶©¹º
²úÆ·ÏêÇé
¹«³ÆÍ¨¾DN£¨mm) |
50¡«2000 |
50¡«1600 |
|
¹«³ÆÒ©ÀíPN£¨MPa) |
0.6 |
1.0 |
1.6 |
ÃÜ·âÊÔÑé(MPa) |
0.66 |
1.1 |
1.76 |
Ç¿¶ÈÊÔÑé(MPa) |
0.9 |
1.5 |
2.4 |
ÊÊÓÃÎÂ¶È |
¶¡ëæÏ𽺣º-40¡æ¡«90¡æ·úÏ𽺣º-20¡æ¡«200¡æ |
||
ÊÊÓýéÖÊ |
Ë®¡¢¿ÕÆø¡¢×ÔÈ»Æø¡¢ÓÍÆ·¼°ÈõÇÖÊ´ÐÔÁ÷Ìå |
||
×ß©ÂÊ |
ÇкÏGB/T13927-92±ê×¼ |
||
Çý¶¯·½·¨ |
ÎÏÂÖ´«¶¯¡¢µç¶¯¡¢Æø¶¯¡¢Òº¶¯ |
||
Áã¼þÃû³Æ |
ÖÊÁÏ |
·§Ìå |
WCB¡¢QT450-10¡¢HT200¡¢HT250 |
µû°å |
WCB¡¢QT450-10¡¢HT200¡¢HT250 |
·§Öá |
2Cr13 |
ÃÜ·âȦ |
¶¡ëæÄÍÓÍÏ𽺠|
ÌîÁÏ |
ÈáÐÔʯī |
ÖÆÔì±ê×¼ |
GB/T 122387-89 |
·¨À¼±ê×¼ |
GB9113-2000¡¢GB17241.6-1998 |
½á¹¹³¤¶È±ê×¼ |
GB12221-89 |
Ä¥Á·±ê×¼ |
GB/T 13927-92 |
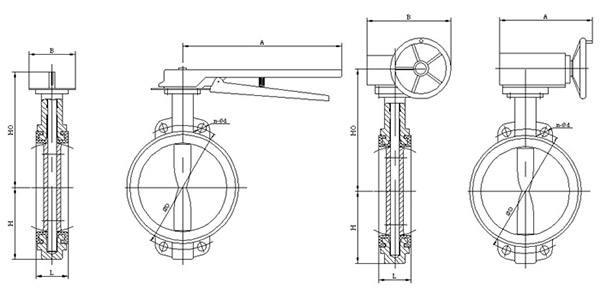
DN |
L |
H |
H1 |
A |
B |
§¶D |
||
0.6MPa |
1.0MPa |
1.6MPa |
||||||
50 |
43 |
77 |
309 |
180 |
200 |
88 |
99 |
99 |
65 |
46 |
85 |
320 |
180 |
200 |
108 |
118 |
118 |
80 |
46 |
95 |
340 |
180 |
200 |
124 |
132 |
132 |
100 |
52 |
105 |
360 |
180 |
200 |
144 |
156 |
156 |
125 |
56 |
129 |
405 |
180 |
200 |
174 |
184 |
184 |
150 |
56 |
132 |
450 |
270 |
280 |
199 |
211 |
211 |
200 |
60 |
165 |
607 |
270 |
280 |
254 |
266 |
266 |
250 |
68 |
197 |
659 |
270 |
280 |
309 |
319 |
319 |
300 |
78 |
234 |
742 |
380 |
420 |
363 |
370 |
370 |
350 |
78 |
283 |
792 |
380 |
420 |
413 |
429 |
429 |
400 |
102 |
325 |
887 |
450 |
470 |
463 |
480 |
480 |
450 |
114 |
369 |
935 |
480 |
490 |
518 |
530 |
548 |
500 |
127 |
404 |
985 |
480 |
490 |
568 |
582 |
609 |
600 |
154 |
470 |
1243 |
480 |
490 |
667 |
682 |
720 |
700 |
165 |
503 |
1346 |
640 |
660 |
772 |
794 |
794 |
800 |
190 |
571 |
1466 |
640 |
660 |
878 |
901 |
901 |
900 |
203 |
621 |
1565 |
750 |
860 |
978 |
1001 |
1001 |
1000 |
216 |
702 |
1781 |
850 |
900 |
1078 |
1112 |
1112 |
1200 |
254 |
818 |
1965 |
850 |
900 |
1295 |
1328 |
1328 |
![]() |





