
产品名称:ZSHR/ZSHO气动O型切断球阀
产品标签:球阀,气动O型切断球阀
更新时间:2019/6/2 11:12:24
上一个产品: Q47F牢靠球阀
下一个产品:Q47H美标牢靠球阀
在线客服:
在线订购:在线订购
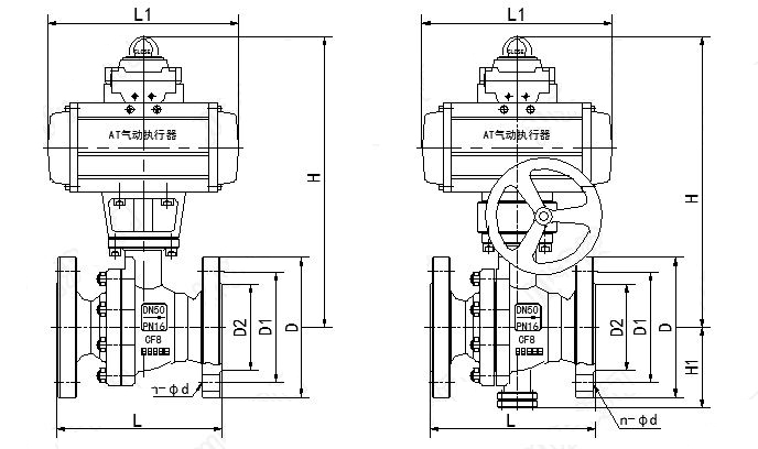
产品详情
公称通径mm |
DN15-DN300 |
|||
质料代号 |
C |
P |
R |
|
主要零件 |
阀 体 |
WCB |
ZG1Cr18Ni9Ti |
ZG1Cr18Ni |
球 体 |
2Cr13 |
1Cr18Ni9Ti |
1Cr18Ni12MoTi |
|
阀 杆 |
2Cr13 |
1Cr18Ni9Ti |
1Cr18Ni12MoTi |
|
密封圈 |
增强聚四氟乙烯 对位聚苯 |
|||
填 料 |
聚四氟乙烯 柔性石墨 |
|||
适用工况 |
适用 |
蒸汽、水 |
硝酸类 |
醋酸类 |
适用 |
-28℃ - 300℃ |
|||
执行器 |
型 号 |
AW、DA/SR系列、GTE系列、TH系列等 |
||
气源压力 |
0.4-0.7MPa |
|||
试验压力 |
公称压力(Mpa) |
压力级(class) |
JIS(Mpa) |
|||||||
1.6 |
2.5 |
4.0 |
6.4 |
10.0 |
150 |
300 |
600 |
10K |
20K |
|
强度试验 |
2.4 |
3.8 |
6.0 |
9.6 |
15.0 |
3.1 |
7.8 |
15.3 |
2.4 |
3.8 |
密封试验 |
1.8 |
2.8 |
4.4 |
7.0 |
11.0 |
2.2 |
5.6 |
11.2 |
1.5 |
2.8 |
气密试验 |
0.5~0.7 |
|||||||||
公称 |
尺 寸(mm) |
执 行 器 型 号 |
||||||||||||||
1.6MPa |
2.5MPa |
4.0MPa |
||||||||||||||
L |
D |
D1 |
b |
Z-фD |
L |
D |
D1 |
b |
Z-фD |
L |
D |
D1 |
b |
Z-фD |
可选配DA/SR、QGSY、 |
|
15 |
130 |
95 |
65 |
14 |
4-14 |
130 |
95 |
65 |
16 |
4-14 |
130 |
130 |
65 |
16 |
4-14 |
|
20 |
130 |
105 |
75 |
14 |
4-14 |
130 |
105 |
75 |
16 |
4-14 |
150 |
150 |
75 |
16 |
4-14 |
|
25 |
140 |
115 |
85 |
14 |
4-14 |
140 |
115 |
85 |
16 |
4-14 |
160 |
160 |
85 |
16 |
4-14 |
|
32 |
165 |
135 |
100 |
16 |
4-18 |
165 |
135 |
100 |
18 |
4-18 |
180 |
180 |
100 |
18 |
4-18 |
|
40 |
165 |
145 |
110 |
16 |
4-18 |
165 |
145 |
110 |
18 |
4-18 |
200 |
200 |
110 |
18 |
4-18 |
|
50 |
203 |
160 |
125 |
16 |
4-18 |
203 |
160 |
125 |
20 |
4-18 |
230 |
230 |
125 |
20 |
4-18 |
|
65 |
222 |
180 |
145 |
18 |
4-18 |
222 |
180 |
145 |
22 |
8-18 |
290 |
290 |
145 |
22 |
8-18 |
|
80 |
241 |
195 |
160 |
20 |
8-18 |
241 |
195 |
160 |
22 |
8-18 |
310 |
310 |
160 |
22 |
8-18 |
|
100 |
305 |
215 |
180 |
20 |
8-18 |
305 |
230 |
190 |
24 |
8-23 |
350 |
350 |
190 |
24 |
8-23 |
|
125 |
356 |
245 |
210 |
22 |
8-18 |
356 |
270 |
220 |
28 |
8-25 |
400 |
270 |
220 |
28 |
8-25 |
|
150 |
394 |
280 |
240 |
24 |
8-23 |
394 |
300 |
250 |
30 |
8-25 |
480 |
300 |
250 |
30 |
8-25 |
|
200 |
457 |
335 |
295 |
28 |
12-23 |
457 |
360 |
310 |
34 |
12-25 |
600 |
375 |
320 |
38 |
12-30 |
|
![]() |





