
产品名称:Q41F-ZL铝合金球阀
产品标签:球阀,铝合金球阀
更新时间:2019/6/5 10:17:00
上一个产品: Q14F/Q15F高平台三通球阀
下一个产品:Q41F不锈钢法兰球阀
在线客服:
在线订购:在线订购
产品详情
Q41F-ZL铝合金球阀产品概述:
Q41F-ZL法兰铝合金球阀接纳铝合金壳体,不锈钢球芯,具有质料配制合理结构紧凑,重量轻,体积小,使用利便等优点,设有限位和加锁装置,清静可靠。普遍用于非侵蚀性液体运送管道开闭控制(如油罐车,加油站等)调解:旋转法兰内密封座可调解板杆轻重和消除渗漏,当密封环与球面封部位有损伤时,要修正其密封面或者替换。
Q41F-ZL铝合金球阀产品先容
法兰铝合金球阀又名铝合金槽车球阀,按形状结构可分为铝直通槽车方球阀和铝直通槽车圆球阀,接纳铝合金壳体,不锈钢球芯,具有结构紧凑,重量轻,体积小,使用利便等优点,设有限位和加锁装置,清静可靠。普遍用于非侵蚀性液体运送管道开闭控制(如油罐车,加油站等)旋转法兰内密封座可调解板杆轻重和消除渗漏,当密封环与球面部位有损伤时,要修正其密封面或者替换。
Q41F-ZL铝合金球阀产品特点
1、铝合金球阀设有要领兰毗连跟圆法兰毗连,知足差别管道需求。
2、接纳铝合金壳体,具有结构紧凑,重量轻,体积小。
3、结构紧凑,设有限位和加锁装置,旋转法兰内密封座可调解扳杆轻重和消除渗漏。
Q41F-ZL铝合金球阀产品优点
1.流体阻力小,全通径的球阀基本没有流阻。
2.结构简朴、体积小、重量轻。
3.细密可靠。它有两个密封面,并且现在球阀的密封面质料普遍使用种种氟塑料,密封性好,能实现完全密封。在真空系统中也已普遍使用。
4.操作利便,开闭迅速,从全开到全关只要旋转90°,便于远距离的控制。
5.维护利便,球阀结构简朴,密封圈一样平常都是活动的,拆卸替换都较量利便。
6.在全开或全闭时,球体和阀座的密封面与介质隔离,介质通过时,不会引起阀门密封面的侵蚀。
7.由于球阀在启闭历程中有擦拭性,以是可用于带悬浮固体颗粒的介质中。
Q41F-ZL铝合金球阀主要性能参数
| 产品名称: | 法兰铝合金球阀 | 产品型号: | Q41F-ZL |
| 公称通径: | DN50~DN100 | 结构形式: | 球形 |
| 公称压力: | 0.4Mpa~0.6MPa | 毗连方法: | 圆法兰、要领兰 |
| 适用温度: | ≤60oC | 驱动方法: | 手动 |
| 阀体材质: | 铝合金 | 制造标准: | 国标GB、德国DIN、美国API、ANSI、ISO |
| 适用介质: | 柴油、汽油、煤油 | 生产厂家: |
Q41F-ZL铝合金球阀主要质料及参数
| 壳体材质 | 铝合金 |
| 阀杆材质 | 45#镀铬 |
| 球心材质 | 不锈钢304 |
| 手柄材质 | 碳钢 |
| 密封圈材质 | 聚四氟乙烯 |
| 阀杆密封 | 耐油橡胶 |
| 公称压力 | 0.6MPa |
| 壳体试验压力 | 0.6MPa |
| 密封试验压力 | 0.45MPa |
| 适用介质 | 汽油、煤油、柴油 |
| 事情情形 | -30~+60℃ |
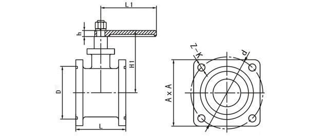
Q41F-ZL铝合金球阀形状毗连尺寸
| 公称口径 | 形状毗连尺寸(mm) | ||||
| L | A | d | D | Z-K | |
| DN50 | 86 | 120 | 130 | 96 | 4-12 |
| DN65 | 115 | 140 | 155 | 120 | 4-14 |
| DN80 | 130 | 150 | 162 | 135 | 4-14 |
| DN100 | 155 | 180 | 195 | 166 | 4-14 |
![]() |
注:以上的产品先容,参数,图片,数据仅用于参考,若是需更准确的资料请咨询公司手艺效劳热线:18117208829





