
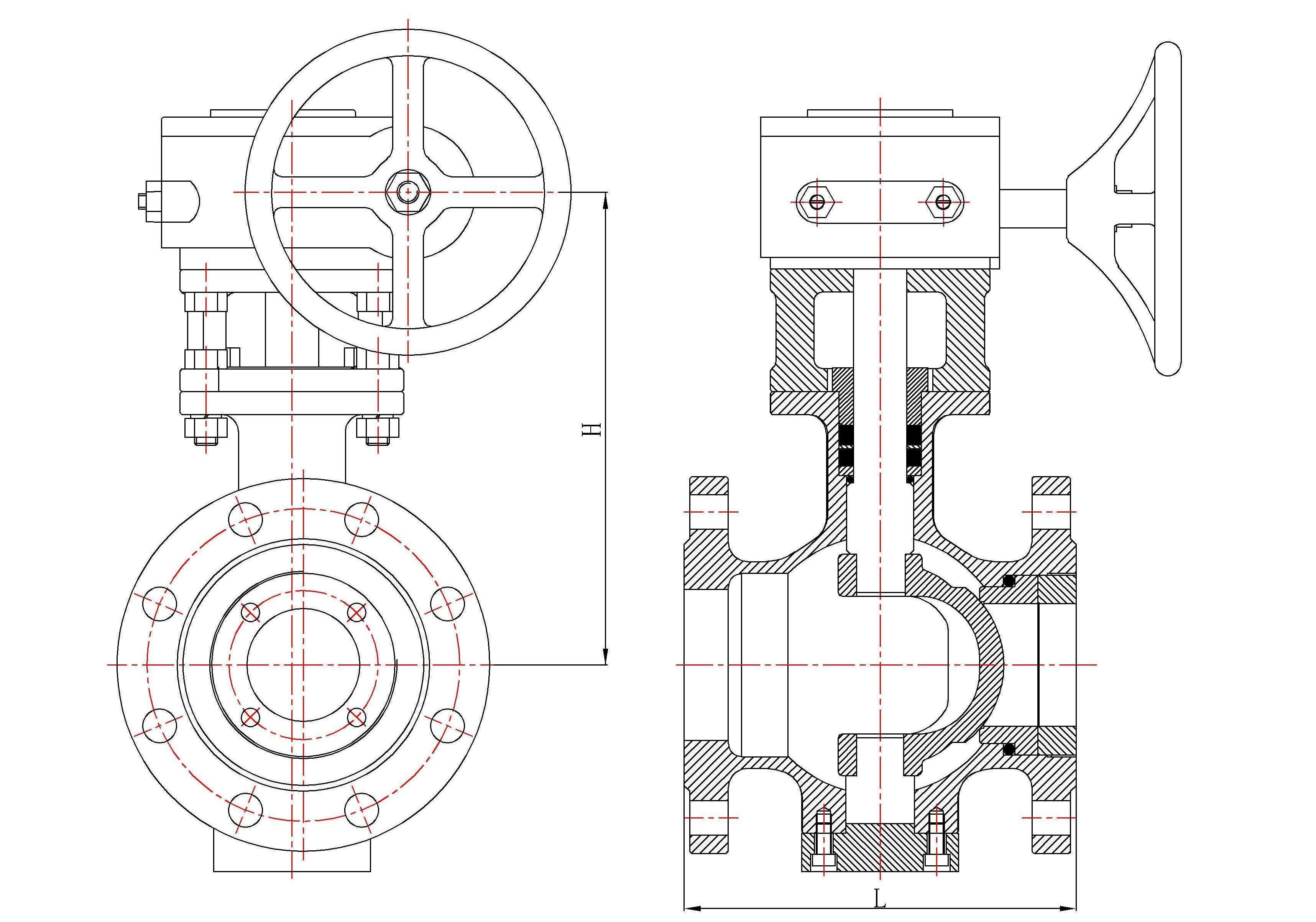
²úÆ·Ãû³Æ£ºBQ340F˫ƫÐİëÇò·§
²úÆ·±êÇ©£ºÇò·§£¬Ë«Æ«ÐİëÇò·§
¸üÐÂʱ¼ä£º2019/6/8 10:22:02
ÉÏÒ»¸ö²úÆ·£º Q61Yº¸½Óʽ¸ßѹӲÃÜ·âÇò·§
ÏÂÒ»¸ö²úÆ·£ºEQ640H/EQ647HÆø¶¯Æ«ÐİëÇò·§
ÔÚÏ߿ͷþ£º
ÔÚÏß¶©¹º£ºÔÚÏß¶©¹º
²úÆ·ÏêÇé
Ãû³Æ |
²ÄÖÊ |
·§Ìå |
QT450¡¢WCB¡¢ZG20CrMo¡¢ZG1Cr18Ni9Ti |
·§Öá |
2Cr13¡¢1Cr13 |
·§°ê |
ºÏ½ðÉøµª¸Ö¡¢Éøµª²»Ðâ¸Ö¡¢ÄÍÄ¥¸Ö |
·§×ù |
ºÏ½ðÉøµª¸Ö¡¢Éøµª²»Ðâ¸Ö¡¢ÄÍÄ¥¸Ö |
Öá³Ð |
ÂÁÇàÍ¡¢FZ¸´ºÏÖÊÁÏ |
ÌîÁÏ |
¾ÛËÄ·úÒÒÏ©¡¢ÈáÐÔʯī |
¹«³ÆÑ¹Á¦£¨Mpa£© |
0.6 |
1.0 |
1.6 |
2.5 |
4.0 |
¹«³ÆÍ¨¾£¨mm£© |
40-600 |
40-600 |
40-600 |
40-600 |
40-600 |
ÃÜ·âÊÔÑéѹÁ¦£¨Mpa£© |
0.66 |
1.1 |
1.76 |
2.75 |
4.4 |
¿ÇÌåÊÔÑéѹÁ¦£¨Mpa£© |
0.9 |
1.5 |
2.4 |
3.75 |
6.0 |
ÊÊÓÃζȣ¨¡æ£© |
£29¡«300¡¢£29¡«425¡¢£29¡«540 |
||||
ÊÊÓýéÖÊ |
ÇåË®¡¢º£Ë®¡¢ÎÛË®¡¢Ëá¼îµÈÒºÌå¡¢ÁϽ¬¡¢ÕôÆû¡¢È¼Æø¡¢ÓÍÀà |
||||
Çý¶¯·½·¨ |
ÊÖ¶¯¡¢µç¶¯¡¢Æø¶¯ |
||||
ÅþÁ¬ÐÎʽ |
·¨À¼ÅþÁ¬¡¢¶Ô¼ÐÅþÁ¬ |
||||
×°Ö÷½·¨ |
Á¢Ê½×°Öá¢ÎÔʽװÖà |
||||
¹«³ÆÑ¹Á¦ |
¹«³ÆÍ¨¾¶ |
³ß ´ç(mm) |
|||||||||||
d1 |
L |
D |
D1 |
D2 |
D6 |
f |
f2 |
b |
Z-¦Õd |
H1 |
H2 |
||
1.6 |
25 |
25 |
150 |
115 |
85 |
65 |
- |
2 |
- |
14 |
44 |
- |
75 |
32 |
32 |
165 |
135 |
100 |
78 |
- |
2 |
- |
16 |
48 |
- |
105 |
|
40 |
40 |
180 |
145 |
110 |
85 |
- |
3 |
- |
16 |
48 |
- |
95 |
|
50 |
50 |
200 |
160 |
125 |
100 |
- |
3 |
- |
16 |
48 |
- |
107 |
|
65 |
65 |
220 |
180 |
145 |
120 |
- |
3 |
- |
18 |
48 |
- |
142 |
|
80 |
80 |
250 |
195 |
160 |
135 |
- |
3 |
- |
20 |
88 |
- |
152 |
|
100 |
100 |
280 |
215 |
180 |
155 |
- |
3 |
- |
20 |
88 |
- |
178 |
|
125 |
125 |
320 |
245 |
210 |
185 |
- |
3 |
- |
22 |
88 |
- |
252 |
|
150 |
150 |
360 |
280 |
240 |
210 |
- |
3 |
- |
24 |
8-23 |
- |
272 |
|
200 |
200 |
400 |
335 |
295 |
265 |
- |
3 |
- |
26 |
12-23 |
- |
342 |
|
2.5 |
25 |
25 |
150 |
115 |
85 |
65 |
- |
2 |
- |
16 |
44 |
- |
75 |
32 |
32 |
165 |
135 |
100 |
78 |
- |
2 |
- |
18 |
48 |
- |
85 |
|
40 |
40 |
180 |
145 |
110 |
85 |
- |
3 |
- |
18 |
48 |
- |
95 |
|
50 |
50 |
200 |
160 |
125 |
100 |
- |
3 |
- |
20 |
48 |
- |
107 |
|
65 |
65 |
220 |
180 |
145 |
120 |
- |
3 |
- |
22 |
88 |
- |
142 |
|
80 |
80 |
250 |
195 |
160 |
135 |
- |
3 |
- |
24 |
88 |
- |
152 |
|
100 |
100 |
280 |
230 |
190 |
160 |
- |
3 |
- |
28 |
8-23 |
- |
178 |
|
125 |
125 |
320 |
270 |
220 |
188 |
- |
3 |
- |
30 |
8-25 |
- |
252 |
|
150 |
150 |
360 |
300 |
250 |
218 |
- |
3 |
- |
34 |
8-25 |
- |
272 |
|
200 |
200 |
400 |
360 |
310 |
278 |
- |
3 |
- |
34 |
12-25 |
- |
342 |
|
4.0 |
25 |
25 |
150 |
115 |
85 |
65 |
58 |
2 |
4 |
16 |
44 |
- |
75 |
32 |
32 |
180 |
135 |
100 |
78 |
66 |
2 |
4 |
18 |
48 |
- |
107 |
|
40 |
40 |
200 |
145 |
110 |
85 |
76 |
3 |
4 |
18 |
48 |
- |
95 |
|
50 |
50 |
220 |
160 |
125 |
100 |
88 |
3 |
4 |
20 |
48 |
- |
107 |
|
65 |
65 |
250 |
180 |
145 |
120 |
110 |
3 |
4 |
22 |
88 |
- |
142 |
|
80 |
80 |
280 |
195 |
160 |
135 |
121 |
3 |
4 |
22 |
88 |
- |
152 |
|
100 |
100 |
320 |
230 |
190 |
160 |
150 |
3 |
4.5 |
24 |
8-23 |
- |
178 |
|
125 |
125 |
400 |
270 |
220 |
188 |
176 |
3 |
4.5 |
28 |
8-25 |
- |
252 |
|
150 |
150 |
400 |
300 |
250 |
218 |
204 |
3 |
4.5 |
30 |
8-25 |
- |
272 |
|
200 |
200 |
502 |
375 |
320 |
282 |
260 |
3 |
4.5 |
38 |
12-30 |
- |
342 |
|
![]() |





