
²úÆ·Ãû³Æ£ºQ44FÈýͨÇò·§
²úÆ·±êÇ©£ºÇò·§£¬ÈýͨÇò·§
¸üÐÂʱ¼ä£º2019/6/8 11:11:36
ÉÏÒ»¸ö²úÆ·£º FQ41F46³Ä·ú·ÅÁÏÇò·§
ÏÂÒ»¸ö²úÆ·£ºPQ340FÉÏװʽƫÐİëÇò·§
ÔÚÏ߿ͷþ£º
ÔÚÏß¶©¹º£ºÔÚÏß¶©¹º
²úÆ·ÏêÇé
¹«³ÆÑ¹Á¦ |
ÊÔÑéѹÁ¦ |
||
¿ÇÌå |
¸ßѹҺÃÜ·â |
µÍѹҺÃÜ·â |
|
1.6 |
2.4 |
1.76 |
0.6 |
2.5 |
3.75 |
2.75 |
|
4.0 |
6.0 |
4.4 |
|
CLASS150 |
3.0 |
2.2 |
|
ÊÊÓù¤¿ö |
ÊÊÓýéÖÊ |
Ë®¡¢ÓÍÆ·¡¢ÆøµÈ·ÇÇÖÊ´½éÖʺÍËá¼îÇÖÊ´½éÖÊ |
|
ÊÊÓÃÎÂ¶È |
-28¡«350¡æ |
||
Ó¦Óù淶 |
ÅþÁ¬·¨À¼ |
JB79-59 GB9113¡¢ |
|
Ä¥Á·ÊÔÑé |
JB/T 9092-99 ¡¢API598 |
||
Áã¼þÃû³Æ |
²ÄÖÊ |
|
GB |
ASTM |
|
·§Ìå¡¢·§¸Ç |
WCB |
A216-WCB |
ÃÜ·âȦ |
PTFE¡¢¶Ôλ¾Û±½ |
PTFE¡¢¶Ôλ¾Û±½ |
ÇòÌå |
1Cr18Ni9Ti |
SS 304 |
·§×ù¡¢·§¸Ë |
2Cr13 |
A246-416 |
˫ͷÂÝ˨ |
35CrMoA |
A193-B7 |
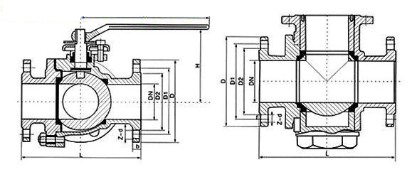
ÐͺŠ|
¹«³ÆÍ¨¾¶ |
³ß´ç(mm) |
|||||||||
L |
L2 |
D |
D1 |
D2 |
b |
f |
Z-d |
H |
W |
||
Q44F-16C |
15 |
150 |
72 |
95 |
65 |
45 |
14 |
2 |
4-14 |
95 |
130 |
20 |
160 |
80 |
105 |
75 |
55 |
14 |
2 |
4-14 |
110 |
130 |
|
25 |
180 |
90 |
115 |
85 |
65 |
14 |
2 |
4-18 |
120 |
140 |
|
32 |
200 |
100 |
135 |
100 |
78 |
16 |
2 |
4-18 |
144 |
180 |
|
40 |
220 |
110 |
145 |
110 |
85 |
16 |
3 |
4-18 |
152 |
220 |
|
50 |
240 |
120 |
160 |
125 |
100 |
16 |
3 |
4-23 |
182 |
220 |
|
65 |
260 |
130 |
180 |
145 |
120 |
16 |
3 |
4-18 |
193 |
240 |
|
80 |
280 |
140 |
195 |
160 |
135 |
20 |
3 |
8-18 |
217 |
270 |
|
100 |
320 |
160 |
215 |
180 |
155 |
20 |
3 |
8-18 |
245 |
350 |
|
125 |
380 |
190 |
245 |
210 |
185 |
22 |
3 |
8-18 |
282 |
500 |
|
150 |
440 |
220 |
280 |
240 |
210 |
24 |
3 |
8-23 |
319 |
600 |
|
200 |
550 |
260 |
335 |
295 |
265 |
26 |
3 |
12-23 |
380 |
1000 |
|
250 |
670 |
310 |
405 |
355 |
320 |
30 |
3 |
12-25 |
460 |
1400 |
|
300 |
720 |
370 |
460 |
410 |
375 |
30 |
3 |
12-25 |
520 |
1800 |
|
![]() |





