
²úÆ·Ãû³Æ£ºQ911Fµç¶¯ÄÚÂÝÎÆÇò·§
²úÆ·±êÇ©£ºÇò·§£¬µç¶¯ÄÚÂÝÎÆÇò·§
¸üÐÂʱ¼ä£º2019/6/4 16:40:49
ÉÏÒ»¸ö²úÆ·£º QJ941M/Fµç¶¯¸ßÎÂÇò·§
ÏÂÒ»¸ö²úÆ·£ºQ641FÆø¶¯´øÊÖÂÖÇò·§
ÔÚÏ߿ͷþ£º
ÔÚÏß¶©¹º£ºÔÚÏß¶©¹º
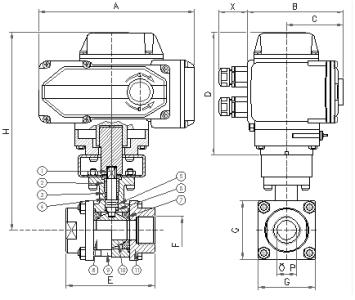
²úÆ·ÏêÇé
CHϵÁÐÖ´Ðлú¹¹ÊÖÒÕ²ÎÊý |
·§Ìå²ÎÊý |
|||
µçÔ´ |
AC200/220V£¬50/60Hz |
¹«³ÆÍ¨¾¶ |
DN10¡«100mm |
|
Êä×ÅÁ¦¾Ø |
50N?M¡«2000N?M |
¹«³ÆÑ¹Á¦ |
PN1.6 2.5 4.0 6.4 31.5MPa(¶¨ÖÆ) |
|
Ðж¯¹æÄ£ |
0¡«90¡ã 0¡«360¡ã |
×ß©Á¿ |
ÈíÃÜ·â:Áã×ß© |
Ó²ÃÜ·â:¡Ü¶î¶¨Á÷Á¿µÄ10-5 |
Ðж¯Ê±¼ä |
15Ãë/30Ãë/60Ãë |
Ö´Ðлú¹¹ |
¿ÉÁíÅäPSQ¡¢HQ¡¢UNIC¡¢361RSµÈϵÁÐ |
|
±£»¤×°Öà |
¹ýÈȱ£»¤ |
Á÷Á¿ÌØÕ÷ |
¿ì¿ªÌØÕ÷ |
|
ÇéÐÎÎÂ¶È |
-30¡ã¡«60¡ã |
¿Éµ÷¹æÄ£ |
DN10-80 |
|
250:1 |
||||
ÊÖ¶¯²Ù×÷ |
ͬ¸½´øÊÖ±ú²Ù×÷ |
»ù±¾Îó²î |
¡À1% |
|
ÏÞλ |
µçÆø¡¢»úе¶þÖØÏÞλ |
ËÀÇø |
¡Ü1% |
|
·À»¤Æ·¼¶ |
Ï൱ÓÚIP-65 |
»Ø²î |
¡Ü1% |
|
λÖÃÕÉÁ¿ |
¿Éѡװ¿ª¹Ø»òµçλ¼Æ |
ÊÊÓÃÎÂ¶È |
ÃÜ·âÃæ |
|
Çý¶¯µç»ú |
8W/E |
PTFE¡Ü150¡æ RTFE¡Ü180¡æ PPL¡Ü300¡æ |
||
ÊÔÑéѹÁ¦ |
¹«³ÆÑ¹Á¦£¨Mpa£© |
ѹÁ¦¼¶£¨class£© |
JIS(Mpa) |
|||||||
1.6 |
2.5 |
4.0 |
6.4 |
10.0 |
150 |
300 |
600 |
10K |
20K |
|
Ç¿¶ÈÊÔÑé |
2.4 |
3.8 |
6.0 |
9.6 |
15.0 |
3.1 |
7.8 |
15.3 |
2.4 |
3.8 |
ÃÜ·âÊÔÑé |
1.8 |
2.8 |
4.4 |
7.0 |
11.0 |
2.2 |
5.6 |
11.2 |
1.5 |
2.8 |
ÆøÃÜÊÔÑé |
0.5¡«0.7 |
|||||||||
ÅþÁ¬·½·¨ |
ÄÚÂÝÎÆÅþÁ¬ |
¶Ôº¸ÅþÁ¬ |
|||||
Áã¼þÃû³Æ |
·§Ìå·§¸Ç |
WCB |
CF8(304) |
CF8M(316) |
WCB |
CF8(304) |
CF8M(316) |
ÇòÌå¡¢·§¸Ë |
2Cr13 |
0Cr19Ni9 |
OCr17Ni12Mo2 |
2Cr13 |
0Cr19Ni9 |
OCr17Ni12Mo2 |
|
ÃÜ·âȦ¡¢ÌîÁÏ |
ÔöÇ¿¾ÛËÄ·úÒÒÏ©¡¢¶Ôλ¾Û±½ |
||||||
ÊÊÓù¤¿ö |
ÊÊÓýéÖÊ |
Ë®¡¢ÕôÆû |
ÏõËáµÈ¸¯ |
´×ËáµÈ¸¯ |
Ë®¡¢ÕôÆû |
ÏõËáµÈ¸¯ |
´×ËáµÈÇÖÊ´½éÖÊ |
ÊÊÓÃÎÂ¶È |
-29¡«180¡ãC(ÔöÇ¿¾ÛËÄ·úÒÒÏ©)¡¢-29¡«300¡ãC(¶Ôλ¾Û±½) |
||||||
¹«³ÆÍ¨¾¶ |
ÄÚÂÝÎÆÅþÁ¬ |
¶Ôº¸ÅþÁ¬ |
||||||||||
inch |
D |
L |
H |
¹ÜÂÝÎÆG |
B |
ÖØÁ¿ |
³ß´ç(mm) |
ÖØÁ¿ |
||||
L |
D1 |
D2 |
||||||||||
3/8 |
10 |
60 |
57 |
3/8¡å |
95 |
0.34 |
70 |
10 |
18 |
0.32 |
||
1/2 |
15 |
75 |
68 |
1/2¡å |
110 |
0.47 |
75 |
15 |
24 |
0.48 |
||
3/4 |
20 |
80 |
70 |
3/4¡å |
110 |
0.68 |
90 |
20 |
28 |
0.68 |
||
1 |
25 |
90 |
80 |
1¡å |
140 |
1.2 |
100 |
25 |
34 |
1.2 |
||
11/4 |
32 |
110 |
85 |
11/4¡å |
140 |
1.9 |
110 |
32 |
41 |
1.9 |
||
11/2 |
38 |
125 |
100 |
11/2¡å |
180 |
2.7 |
128 |
38 |
49 |
2.7 |
||
2 |
50 |
144 |
110 |
2¡å |
180 |
3.9 |
154 |
50 |
62 |
3.8 |
||
21/2 |
64 |
186 |
130 |
21/2¡å |
200 |
7.1 |
193 |
64 |
78 |
7.0 |
||
3 |
78 |
206 |
150 |
3¡å |
250 |
11.5 |
222 |
78 |
94 |
11.4 |
||
4 |
98 |
240 |
170 |
4¡å |
250 |
20.5 |
273 |
98 |
124 |
20.3 |
||
![]() |





