
²úÆ·Ãû³Æ£ºQ641FÆø¶¯´øÊÖÂÖÇò·§
²úÆ·±êÇ©£ºÇò·§£¬Æø¶¯´øÊÖÂÖÇò·§
¸üÐÂʱ¼ä£º2019/6/5 9:27:21
ÉÏÒ»¸ö²úÆ·£º Q911Fµç¶¯ÄÚÂÝÎÆÇò·§
ÏÂÒ»¸ö²úÆ·£ºQ14F/Q15F¸ßƽ̨ÈýͨÇò·§
ÔÚÏ߿ͷþ£º
ÔÚÏß¶©¹º£ºÔÚÏß¶©¹º
²úÆ·ÏêÇé
Éè¼ÆÒÀ¾Ý |
¹ú±êϵÁÐ |
ÃÀ±êϵÁÐ |
|
Éè¼Æ±ê×¼ |
GB/T12237 |
AP16D |
ANSI B16.34 |
·¨À¼ÅþÁ¬½á¹¹³¤¶È |
GB/T12221 |
AP16D |
ANSI B16.10 |
½á¹¹³¤¶È(º¸½Ó) |
GB/T15188.1 |
AP16D |
ANSI B16.10 |
ÅþÁ¬·¨À¼ |
GB/T9113 |
ANSI B16.5¡¢B16.47 |
|
¶Ôº¸¶Ë |
GB/T12224 |
ANSI B16.25 |
|
ÐòºÅ |
Áã¼þÃû³Æ |
²ÄÖÊ |
|
GB |
ASTM |
||
1 |
·§Ìå |
WCB |
A2116-WCB |
2 |
ÃÜ·âȦ |
PTFE |
PTFE |
3 |
ÇòÌå |
1C18Ni9Ti |
SS304 |
4 |
ÂÝĸ |
35 |
A194-2H |
5 |
ÂÝÖù |
35CrMoA |
A193-B7 |
6 |
ʯÌå |
WCB |
A216-WCB |
7 |
µæÆ¬ |
ÈáÐÔʯī+²»Ðâ¸Ö |
B12.10-304F/.G |
8 |
ÌîÁÏ |
PTFE |
PTFE |
9 |
ÌîÁÏѹ¸Ç |
WCB |
A2116-WCB |
10 |
¶¨Î»Æ¬ |
25 |
A105 |
11 |
µ²È¦ |
65Mn |
AISI 1066 |
12 |
ÊÖ±ú |
K33 |
A47-667 |
13 |
·§¸Ë |
1Cr33 |
A276-410 |
14 |
Âݶ¤ |
35 |
A193-B7 |
15 |
Ö¹ÍÆµæÆ¬ |
PTFE |
PTFE |
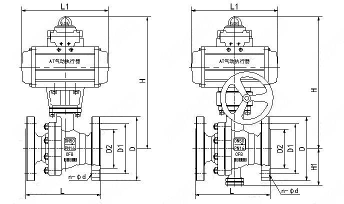
¹«³ÆÍ¨¾¶DN(mm) |
³ß´ç(mm) |
Ö´ÐÐÆ÷ÐͺŠ|
||||||
L |
D |
D1 |
D2 |
b |
f |
Z-¦µd |
||
15 |
108 |
95 |
65 |
45 |
14 |
2 |
4-14 |
GT52/GT63K |
20 |
117 |
105 |
75 |
55 |
14 |
4-14 |
GT63/GT63K |
|
25 |
127 |
115 |
85 |
65 |
14 |
4-14 |
GT63/GT83K |
|
32 |
140 |
135 |
100 |
78 |
16 |
4-18 |
GT83/GT83K |
|
40 |
165 |
145 |
110 |
85 |
16 |
3 |
4-18 |
GT83/GT110K |
50 |
178 |
160 |
125 |
100 |
16 |
4-18 |
GT83/GT110K |
|
65 |
190 |
180 |
145 |
120 |
18 |
4-18 |
GT110/GT127K |
|
80 |
203 |
195 |
160 |
135 |
20 |
8-18 |
GT127/GT127K |
|
100 |
305 |
215 |
180 |
155 |
20 |
8-18 |
GT127/GT160K |
|
125 |
256 |
245 |
210 |
185 |
22 |
8-18 |
GT160/GT190K |
|
150 |
394 |
280 |
240 |
210 |
24 |
8-23 |
GT190/GT210K |
|
200 |
457 |
335 |
295 |
265 |
26 |
12-23 |
GT254/BAW20S |
|
250 |
533 |
405 |
335 |
320 |
30 |
12-25 |
BAW17/BAW20S |
|
![]() |





